
Q1:PLC的輸出是不帶電源的嗎?比如說我要控制個110V繼電器。是不是要加個電源?怎么接線?
A:PLC的輸出端口僅僅是一個驅動負載的開關,本身是不帶電源的,如果要控制個110V繼電器,要加個電源。PLC的輸出端接到繼電器的線圈,繼電器還要接到220V交流電源,PLC的COM端也接到220V交流電源。
Q2:為什么輸入端口的地址沒有X8,X9?
A:邁信PLC的輸入繼電器和輸出繼電器都是以八進制進行編址的,所以只能是X0-X7,而沒有X8,X9,X7后面的地址應該是X10。
Q3:PLC輸出回路中需要加入保險絲嗎?
A:PLC輸出回路中需要加入保險絲,因為當負載一旦發生短路或故障時,容易燒壞觸點或晶體管,還會燒壞輸出電路所在的印制電路板,因此,需要在負載回路上加入起短路保護作用的保險絲。
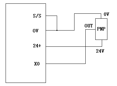
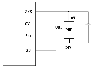
Q4:一個PNP型三線制接近開關,應如何接入MX3U PLC的輸入端口?
A:把PNP型三線制接近開關的信號輸出端接PLC的輸入口如X0,PNP型接近開關的0V端接到PLC上的0V端子,還要把S/S端子跟0V端子短接起來,PNP型接近開關的+24V端接到PLC上的24+端子。如果是外接24V電源的話,那么把PNP型三線制接近開關的信號輸出端接PLC的輸入口如X0,PNP型接近開關的0V端接到外接24V電源的負,還要把S/S端子跟外接24V電源的負短接起來,PNP型接近開關的+24V端接到外接24V電源的正。


Q5:PLC的掃描周期是固定的,那么我怎么知道我寫的程序超過固有的掃描周期呢,有什么方法知道 ,且怎么延長掃描周期呢?
A:如果要知道當前的掃描周期,可以直接從PLC的特殊寄存器D8010中讀??;如果PLC里面有特殊存儲器可以用來設定恒定掃描周期,那么只需要給這個特殊存儲器中設定指定的數值,就可以改變掃描周期的時間。
Q6:請問“MOV K0 K2Y0"的意思是說把Y0-Y7復位,那么為什么”MOV K1 K2Y0“卻不是把Y0-Y7置位的呢?而只是單把Y0置位的?
A:指令中的K2Y0是組合位元件,代表的是Y0-Y7,MOV K0 K2Y0指令傳送0到K2Y0,實質傳送的是二進制數,0的二進制數是B 0000 0000,所以是將Y0-Y7復位,MOV K1 K2Y0指令傳送1到K2Y0,1的二進制數是B 0000 0001,所以是對Y0置位為1,而不是把Y0-Y7都置位。
Q7:在梯形圖中輸入T1K20,顯示軟元件設置不正確是怎么回事?
A:在梯形圖中輸入T1K20,顯示軟元件設置不正確,是因為T1和K20中間沒有空格,空格多少沒有規定,但至少要空1格。正確的輸入方法是:OUT T1 K20,注意OUT和T1,T1和K20之間都要留有空格,輸入定時器指令時還需要注意不要將字母O與數字0混淆。
Q8:例如X001控制T5,T5的延時為50S,那X001是否需要接通50S,T5才動作?還是只需接通就可以了?
A:X001需要接通50秒,T5才動作。因為X001是定時器的驅動條件,而T5是屬于通用型定時器,當驅動條件X001斷開,那么定時器會復位,不再計時。
Q9:我手上有臺MX1N-40MR的PLC,輸出端(Y側)有幾個COM端子:COM1,COM2,COM3,COM4,COM5,怎么用啊,究竟對應Y里面著哪些Y端子?。?/strong>
A:因為輸出負載包括接觸器、繼電器線圈、電磁閥線圈、指示燈、喇叭等,各種負載的電源性質可能不相同。為了適應不同的負載電源,所以PLC把輸出端分成幾組,同一組端口的負載電源是相同的,不同組的端口可以接不同的電源。
MX1N-40MR輸出為4點共端,即每個4個輸出點一個公共端。稱作4點共端。其對應關系是COM1為YO-Y3的公共端。COM2為Y4-Y7的公共端。以此類推。
Q10:輸出輸入端的那幾個黑點端有什么用的?
A:輸出輸入端的那幾個黑點端是為了配合PLC的整體結構而留下的空端子,內部沒有接線,是無用的端子,不用做任何接線。空端子不能作接線端子使用,如果使用,會對PLC產生干擾。
Q11:MX系列PLC的編程電纜型號是什么?
A:MX系列PLC的編程電纜型號是SC-09電纜或者USB-SC09-MX電纜。SC-09為連接電腦串口用。USB—SC09—MX為連接電腦USB口用。
Q12:邁信PLC [D<= D150 H0] 是什么意思?
A: [D<= D150 H0] 是觸點比較指令,前面帶D表示該指令是32位的觸點比較指令,比較32位數(D151,D150)的值是否小于等于0,如果滿足該條件則觸點接通,如果不滿足條件則觸點斷開。
Q13:請教[D<= D108 C251]是什么意思?
A:[D<= D108 C251]是觸點比較指令,前面帶D表示該指令是32位的觸點比較指令,比較32位數(D109,D108)的值是否小于等于計數器C251的當前值,如果滿足該條件則觸點接通,如果不滿足條件則觸點斷開。
Q14:在邁信PLC編程中置位和復位指令要一起使用嗎?
A:在邁信PLC編程中置位和復位指令不一定要一起使用,可以只出現置位指令,也可以只有復位指令,也可以成對使用。
Q15:外部輸入信號X0 在1秒鐘內有10次輸入,這個情況下,是不是需要使用高速計數器?
A:是不是需要使用高速計數器,決定PLC的掃描周期。計數器輸入脈沖信號的頻率不能過高,如果在一個掃描周期內,輸入的脈沖信號多過1個時,那其余的脈沖信號則不會被計數器進行計數。這樣,會產生計數不準確問題,因此,對計數器輸入脈沖的頻率是有一定要求的。一般要求脈沖信號的周期要大于2倍的掃描周期,保證不會發生計數丟數現象。
外部輸入信號X0 在1秒鐘內有10次輸入時,PLC的掃描周期最好在50ms之內。如超過100ms,最好要使用高速計數器。
Q16:下面的程序中
(MOVP K2 D0)
(MOVP K4 D1)
(DMOV D0 D2)
程序第三行D0和D2下面分別出現了:262146請問是怎么出來的?
A:因為 (DMOV D0 D2)是32位的傳送指令,該指令是把(D1 D0)的數據傳到到(D3 D2),而前面兩條傳送指令執行的結果是D0是K2,D1是K4,實際上D0內部二進制數是B0000 0000 0000 0010 ,D1內部二進制數是B0000 0000 0000 0100,所以(D1 D0)實際上是B0000 0000 0000 0100 0000 0000 0000 0010,該32位二進制數對應的十進制數就是262146。
Q17:請問在應用主控指令MC N0 M100時,左母線上的N0 M100觸點應該怎么輸入進去呢?
A:左母線上的N0 M100觸點是不需要自己輸入進去的,當編程軟件的狀態處于寫入模式時,左母線上沒有該觸點,只需要把模式切換成讀出模式或監視模式就可以使該觸點自動顯示出來。
Q18:電腦上的編程軟件和邁信PLC通訊不上是什么原因?通訊線的端口如何設置?
A:通訊不上的原因有多種,1、可能是沒有給PLC通電;2、編程軟件創建的工程類型與實際PLC類型不同;3、可能是是通信端口設置問題;4、用了USB轉232線,但沒有安裝驅動或者驅動沒有安裝好。原因可能有多種,需要一個一個去排查。編程線主要有兩種 SC-09 , USB-SC-09 ,在使用SC-09時,如果電腦沒有RS232接口,需配置USB/RS232轉換器,購買該轉換器時,同時需要安裝驅動,安裝驅動后,在電腦的設備管理器中會有該轉換器的虛擬RS232端口號,如COM4,編程時下載上載就要選取這個端口號。
Q19:觸點比較指令[<= D10 K100] 應該怎么輸入,為什么輸入不進去?
A:輸入觸點比較指令可以直接在鍵盤輸入LD<= D10 K100進行輸入,注意LD和<=符號之間不需要空格,而符號和D10之間,以及D10和K100直接需要空格。還要注意假如觸點比較指令是32位指令[D<= D10 K100],那么是直接在鍵盤輸入LDD<= D10 K100,注意是LD后面加D,而不是像DMOV等其他功能指令在前面加D。
Q20:[MOV K2M0 K2Y0]這個指令中的K2M0和K2Y0是什么,這條指令又是什么意思?
A:K2M0和K2Y0是組合位元件,K2是組合位元件的組數,K2代表兩組,而一組是四位位元件,兩組也就是8位,所以K2M0就代表M0-M7八個位,K2Y0就代表Y0-Y7八個位。[MOV K2M0 K2Y0]這條指令是將K2M0的二進制數據傳送到K2Y0里面,實際上是通過M0-M7的二進制位去控制輸出Y0-Y7的狀態。
Q21:邁信PLC上的ERR燈一直亮紅色,這是什么原因?
A:LC ERR燈亮紅色說明有故障,故障有可能是硬件故障,也有可能是程序故障,可以通過編程軟件連接上PLC后,打開軟件菜單的“診斷”里的“PLC診斷”中確認到底什么故障。
Q22:邁信PLC晶體管輸出能帶動多大的負載,能直接連接繼電器嗎,用不用加保護裝置?可以直接驅動固態繼電器嗎?
A:晶體輸出的PLC最大帶載能力為0.5A左右,固態繼電器是可以自己驅動的,繼電器看什么繼電器,如果是24V這樣的中間繼電器是可以驅動的。
Q23:為什么說PLC系統可靠性高,抗干擾能力強?
A:PLC硬件設計上,為了提高抗干擾性能,開關量輸入輸出均采用光耦器件,PLC內部電路與外部電路之間做到了電隔離,較好地消除了外部電磁干擾對PLC內部所產生的影響。而且,PLC的電源線路與I/O回路還設計了多重濾波電路,如LC濾波器、RC濾波器、數字濾波器等,以減少高頻干擾的影響。以上硬件設計,使得PLC具有抗干擾能力強,可靠性高等特點。
Q24:8進制數35+47的結果用8進制表示是多少?用10進制表示又是多少?
A:8進制數35+47的結果用8進制表示是104,用10進制表示是82。8進制的數字只有 0-7,逢8進1,也就是說:8進制的10就是10進制8,8進制11就是10進制9,以此類推。
Q25:MX1S-20MT可以擴展模塊嗎?擴展模塊怎么定義輸入輸出端口號的?比如X13后面是不是X14?
A:邁信MX1S系列PLC只有基本單元,沒有擴展I/O的擴展單元和擴展模塊。擴展模塊后輸入輸出端口號應該按順序使用,不能跳躍編號。X13后面不是X14,而是X20。
Q26:16位和32位運算怎么理解?
A:數據寄存器是16位參與運算的,因為邁信的每個數據寄存器都是16位,如果想進行32位運算,就必須兩個相鄰的數據寄存器,比如B0和B1組成32位,而且規定了B0是低16位,是低位,B1是高16位,是高位,它的符號位在高位的最高的位置,B31位叫做符號位,16位在16位寄存器的最高位,也就是B15是符號位,16位就是16位和16位加減乘除,32位就是32位。
Q27:在調試程序時,怎么利用END指令進行分段調試?
A:PLC中的END指令為結束指令,在調試程序時可以將END指令插在各段程序之后,從第一段開始分段調試,調試好以后必須刪去程序中間的END指令,這種方法對程序的查錯也很有用處。
Q28:SET、RST指令是不是功能指令?
A:SET、RST是屬于基本邏輯控制指令,不屬于功能指令?;具壿嬛噶钪饕糜陂_關量的處理,而功能指令則可以用于對數據的處理,包括數據的傳送、變換、運算,以及程序流程控制,此外功能指令還能用來處理PLC與外部設備的數據傳送和控制。
Q29:為什么我在觸點XO處注釋了“起動”,結果梯形圖上所有XO觸點位置處均出現了“起動”,能不能在XO不同的位置進行不同的注釋?
A:不能在XO不同的位置進行不同的注釋,在觸點XO處注釋了“起動”,那么X0對應的注釋就是“起動”,定義好了后就相當于是唯一的注釋了,所以所有XO觸點位置處均出現了“起動”。
Q30:邁信PLC中比較指令(LD=)能比較浮點嗎?
A:不能,指令里有專門浮點數比較的指令。
Q31:邁信PLC的D寄存器可以儲存 N B A G字母嗎?
A:可以,以ASCII碼的形式存儲。
Q32:在編輯PLC程序(寫入模式)的時候,在原程序里面修改時,老是自動跳出一行,無法在原程序上修改。非要把原程序刪除,再寫才行。具體現象打個簡單的比方:X0的常開觸點輸出Y0,我點擊Y0,彈出修改菜單,修改為Y1,完了按確定,會自動在下一行并聯輸出Y0。還有輸出其他的功能指令也是一樣,這樣太麻煩了。 請問是哪里的設置問題?
A:因為使用了“插入模式”,如果使用了,在您的鍵盤上再按一下“Insert”鍵即可恢復。
Q33:登錄關鍵字忘記了怎么辦?
A:若有備份程序,可先執行清除PLC內存后,再重新寫入參數和程序即可。
Q34:文件寄存器和普通寄存器的區別?
A:文件寄存器是作為存放事先決定的數值(比如 產品檢查的規格值)時很方便的。普通的寄存器是除了保持區域外,PLC的電源OFF時,所有內容都被清除。所以一般作為臨時存放區域使用。
Q35:電磁閥接在PLC上后,反復的燒掉,這是為什么?
A:電磁閥帶感性負載,關斷的時候由于自感會產生自感電動勢,積累在觸點上,觸點兩端電壓過高會擊穿,若為直流電磁閥,可以加一個續流二極管,若為交流電磁閥,可以加一個浪涌保護器。
Q36:停電保持的軟元件(補助繼電器 狀態)作為一般用時的使用方法?
A:當PLC RUN時侯,使用初始化脈沖通過ZRST命令清除必要的區域。需要清除所用的停電保持區域時,請使用M8032。
Q37:使用存儲器盒時,需要電池嗎?
A:RAM以外的存儲器盒不需電池。但在使用時鐘功能、輔助繼電器、數據寄存器等中的保持軟元件時需要電池維持。另外還有在使用特殊數據寄存器、特殊輔助繼電器等時,也是需要電池的。詳細內容請參考編程手冊。
Q38:PLC在運行中,電源LED發生燈滅或是閃爍。
A:拆除(工作電源)端子的接線確認是否恢復正常。如恢復正常的話,有可能是因為負載的短接或是過大的負載電流而造成工作電源容量超載從而啟動了保護功能。如不能恢復正常的話,請聯系邁信電機售后服務部門。
Q39:MX1S自帶的模擬電位器所對應的寄存器是?
A:MX1S 可編程控制器內置電位器2點 VR1:D8030 VR2:D8031。
Q40:進行浮點數計算時,當把二進制浮點數轉換成十進制浮點數時,在監控模式下看到的數值,與計算的理論值有誤差?
A:MX PLC CPU浮點數運算是單精度的,存在微小偏差。使用的CPU不同,運算的結果會有一些差別。
Q41:PLC更換電池時,程序是否會丟失?
A:在電池插座拔出20秒內,插入新電池的插座,程序不會丟失。電池LED點燈后,長時間被放置的情況下,交換前電池的電壓有可能比規定值要低。這種情況下,PLC的電源切斷時,程序會消失。
Q42:MX系列可編程控制器在STOP時可以保持RUN中的輸出狀態嗎?
A:MX系列可編程控制器,驅動特殊輔助繼電器M8033,則可編程控制器從RUN變為STOP后,RUN時的輸出狀態還能原樣保持。
Q43:什么是變址寄存器(V、Z)?
A:變址寄存器是除了可與數據寄存器的使用方法相同以外,還可以通過在應用指令的操作數中組合使用其他的軟元件編號和數值,從而在程序中更改軟元件的編號和數值內容的特殊寄存器。 在寄存器中,被稱為變址(修飾)用的有V、Z兩種寄存器。 V、Z是如下所示地附加在其他軟元件上的。 [V0、Z0=5時] D100V0=D105、C20Z0=C25←軟元件編號 V□或是 Z□的值 數據寄存器和變址寄存器,可用于間接指定定時器和計數器的設定值,以及用于應用指令中。
Q44:MX3U系列可編程控制器電池的電壓降低時,會造成什么后果?
A:電池的電壓由于壽命等原因而降低時,不能正常保持程序(未使用存儲器盒時)、以及停電保持軟元件和時鐘的狀態。
Q45:MX3U系列可編程控制器能夠將停電保持軟元件作為非停電保持軟元件使用嗎?
A:MX3U系列可編程控制器,根據參數設定情況,可將部分停電保持軟元件的一部分更改成非停電保持軟元件。 停電保持專用的軟元件不可以更改成非停電保持軟元件。 這種情況下,在程序中使用初始化脈沖(M8002)清除保持軟元件,這樣就可以將其作為非停電保持軟元件使用。
Q46:2進制浮點數的有效位數和處理范圍是多少?
A:有效位數:2進制浮點數的有效數如用10進制數表示,大約為7位數。 2進制浮點數的處理范圍如下所示。
-最小絕對值1175494×10-44
-最大絕對值3402823×1032
Q47:10進制常數指定的范圍是多少?
A:[K]是表示10進制整數的符號,主要用于指定定時器和計數器的設定值,或是應用指令的操作數中的數值。(例如: K1234) 10進制常數的指定范圍如下所示。 -使用字數據(16位)時:K-32768~K32767
-使用2個字數據(32位)時:K-2,147,483,648~K2,147,483,647
Q48:MX3U可以直接指定實數嗎?
A:在MX3U系列可編程控制器中,[E]是表示實數(浮點數數據)的符號,主要用于指定應用指令的操作數的數值。 (例如: E1.234或是E1.234 3) 實數的指定范圍為,-1.0×2128~-1.0×2-126、0、1.0×2-126~1.0×2128。 在順控程序中,實數可以指定“普通表示”和“指數表示”兩種。
-普通表示 就將設定的數值指定。 例如,10.2345就以E10.2345指定。
-指數表示 設定的數值以(數值)×10n指定。 例如,1234以E1.234 3指定。 [E1.234 3]的[ 3]表示10的n次方( 3為103)。
Q49:字軟元件的位可以直接指定,將其作為位數據使用嗎?
A:MX3U系列可編程控制器指定字軟元件的位,可以將其作為位數據使用。 指定字軟元件的位時,請使用字軟元件編號和位編號(16進制數)進行設定。 (例如:D0.0 表示數據寄存器D0的0位編號。) 在軟元件編號、位編號中不能執行變址修飾。 對象的字軟元件:數據寄存器或特殊數據寄存器 位編號:0~F(16進制) 例如: LD D0.F OUT D0.3
Q50:LD和LDI指令使用的軟元件是否可以用變址寄存器(V、Z)進行修飾?
A:MX3U系列可編程控制器,LD和LDI指令中使用的軟元件,可以用變址寄存器(V、Z)進行修飾。(狀態(S)特殊輔助繼電器(M)、32位計數器(C)、D□.b不能修飾)。
Q51:LD和LDI指令使用的軟元件中,是否可以指定數據寄存器(D)的位?
A:MX3U系列可編程控制器,LD和LDI指令使用的軟元件中,可以直接指定數據寄存器(D)的位。 執行數據寄存器是位指定時,請在數據寄存器(D)的編號后輸入“.”,然后接著輸入位編號(0~F)。 可以使用的數據寄存器僅16位的有效。 請從低位開始按照0,1,2,…9,A,B,…F的順序指定位編號。 例如:LD D0.3 OUT Y0 D0的第3位決定LD觸點ON(導通)/OFF(不導通)。
Q52:邁信MX系列的PLC輸入端連接NPN和PNP的問題。邁信MX系列的PLC輸入低電平有效,也就是NPN型光電開關可以使用,但PNP型的光電開關(三線制)信號(黑線)串個470Ω的電阻,然后在程序里邏輯反也能使用。
A:PNP需要外接電源,本身MX系列都是漏型,外接正常NPN正好,PNP是源型輸出,直接接無法工作。
Q53:邁信PLC怎么實現自動循環。具體是這樣的,寫了個程序,它是從一邊抓起東西,然后放到傳送帶上,到達某點后,傳送停止,推板的馬達啟動將東西退到下面的筐里,現在問題是,每次都要點下開關給抓東西的命令,它才能自己抓東西起來,改成常閉后又不動作。用什么指令可以讓它自己抓起東西,也就是循環工作?
A:觸發開關的命令先導通M0.0,然后M0.0導通了實現抓東西的步驟。 現在實現自動循環的功能,就是在東西退下去后,再次觸發M0.0,相當于你手動再按下開關,自然就能再次抓東西。
Q54:邁信PLC程序中[DDIV D136 D140 D128]是什么意思?
A:DDIV(32位除法指令)。
D137,D136(放被除數)。
D141,D140(放除數)。
D129,D128(放商)。
Q55:邁信PLC編程軟件中上升沿觸點和向下沿觸點是什么意思?
A:邁信PLC編程軟件中上升沿觸點和向下沿觸點指令。PLS上升沿微分脈沖輸出指令,它將指定信號上升沿進行微分后,輸出一個脈沖寬度為一個掃描周期的脈沖信號。 PLF下降沿微分脈沖輸出指令,它將指定信號下降沿進行微分后,輸出一個脈沖寬度為一個掃描周期的脈沖信號。 PLS和PLF只有在輸入信號變化時才有效。
Q56:邁信PLC [= D0 K0] 什么意思 MOV K0 DO什么意思?
A:LD M8000 [= D0 K0] OUT Y0 含義是M8000接通,D0數據等于0時,Y0吸合
LD M8000 [>D0 K0] OUT Y0 含義是M8000接通 D0數據大于0時 Y0吸合
LD M8000 MOV K0 D0 含義是M8000接通將數據0傳送到DO。
Q57:邁信PLC寄存器最高位為符號位是什么意思?
A:在寄存器中的符號位是用來表示存儲器內存儲數據的正數或負數的,符號位假如為1則這個數值為負數,為0則為正數。
Q58:邁信PLC中T10 D8030是什么意思?
A:意思是T10的計時時間由內置電位器VR1調整的VR1 D8030(0-255的整數)所以最大是25.5秒。
Q59:如何將邁信PLC編程軟件中的梯形圖放到word中?
A:可以使用打印的方式,安裝一個pdf文件打印機,就可以將程序打印成文件,然后再將這些文件插入到word文件中。
Q60:邁信PLC在程序里怎么控制直流電機的正反轉?
A:用數字量轉模擬量模塊輸出,信號0-5V,然后找外部專用直流調速器,輸入信號是0-5V,輸出根據輸出的電壓不一樣進行正反饋,對應給電壓,從小到大。當然最小是0V,最大是你電機正常工作電壓,詳細參數可以參考一下直流調速器的參數。
Q61:邁信PLC中的INCP什么意思?
A:INCP只是對寄存器進行+1,前面加個條件,接通一次 1. 如INCP D100,即使D100內部的數據 1 一直接通只算一次哦。
Q62:邁信PLC M500以上為斷電保持,怎樣設定使之為非斷電保持型?
A:1:點擊顯示菜單,選工程數據列表。2:點擊左邊參數,選PLC參數。 3:MX參數設置對話框,選軟元件。 4:在輔助繼電器項,鎖存起始項里更改。
特別說明:此文章素材來源于網絡,版權歸原作者所有。